BQJ 防爆自耦减压电磁起动器

应用场景

适用于铁路、电力、冶金、石油、石化、化工、钢铁、航空、船舶及各类厂区、场站、大型设施、场馆等场所的高效照明。
适用于爆炸性气体环境的1区、2区场所;
适用于ⅡA、ⅡB、ⅡC、类爆炸性气体环境;
适用于可燃性粉尘环境21区、22区场所;
适用于T1-T6(T5)组温度组别;
适用于节能改造项目及检修更换困难的场所;

全国服务热线:400-0221-816 在线咨询
二维码
产品特点

1、硬件按需定制

内装元件品牌为施耐德、正泰、德力西、ABB、天正、西门子、上海人民、中国人民、常熟等一线品牌,可根据用户要求定制,也可增加配置,例如可加装电涌保护器、电流表、电压表、互感器等。

2、系统安全稳定

专业电子工程师设计电路,具有过载、短路保护功能,可根据用户要求加装带漏电保护功能产品;

3、采用质优板材

壳体采用铝合金压铸或优质碳钢板(不锈钢)焊接成型,外壳结构紧凑合理、材质密度高、防爆性能优良,牢固可靠,抗震、刚冲击。

4、防腐性能

壳体表面采用高压静电喷塑处理,螺丝紧固件采用不锈钢材质,配合高精度加工工艺,具有高防腐、高防锈、高防水等特点,也可根据客户需求采用不锈钢材质制作,来满足在各类强酸、强碱、防护要求较高的恶劣环境中长期正常工作。

5、防爆结构

本司承诺所有防爆产品均严格按照国家防爆标准系列文件设计,完全达到国家防爆标准等级和设计要求,并取得相关国家防爆证书及检测报告,证书齐全,安全可靠,品质优良。

image.png

6、安装方式

钢管,防爆挠性管、防爆电缆,布线简单,安装方便。

1、外壳Q235A碳钢或不锈钢(304、316)焊接而成。

2、内装有自耦变压器、交流接触器、时间继电器、中间继电器、热继电器、电流互感器、转换开关、熔断器、电压表、电流表、指示灯等。(电路可根据实际要求定做)

3、具有过载、短路、失压、断相保护等功能。

4、电缆或钢管布线均可。

5、安装方式:落地。

6、防爆等级:ExdIIB T4 、ExdIICT4


型号规格含义

1598594490208375.png


规格参数

1598594564413327.png

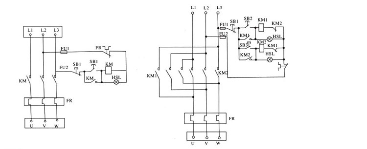
电气原理图

1598592018850503.png

资质认证

1600910450147655.png